Infolinia:
(pn-pt 9:00 - 16:00)
sklep@frauto.pl
  1. « Wróć do   Strona główna
  2. « Wróć do   Popularne części do samochodów francuskich
  3. « Wróć do   UKŁAD ZAPŁONOWY
  4. « Wróć do   ŚWIECE
  5. « Wróć do   PRZEKAŹNIKI ŚWIEC ŻAROWYCH

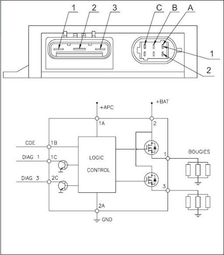
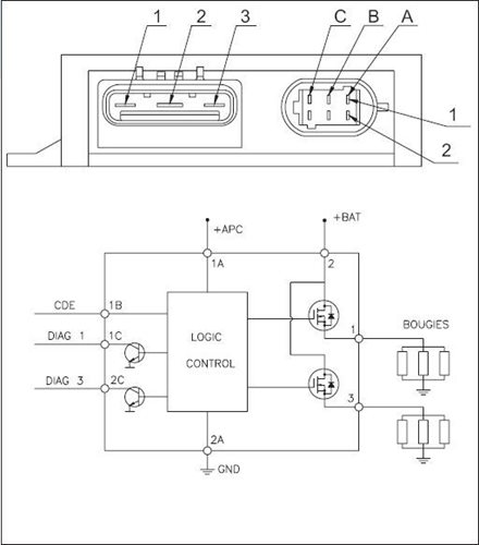
Przekaźnik świec żarowych Renault 1.9 Dci/Dti

Kod:

MAH BRE/6-12

Producent:
MAHLE
MAHLE
Czy silnik 1.9 dCi ciężko odpala zimą? Wybierz precyzyjny przekaźnik świec MAH 6001545516 dla sprawnego rozruchu i ochrony akumulatora w Twoim Renault.
Wysyłka 24h-48h  -  Dostępne

147,00 zł

Potrzebujesz doradztwa w doborze części? Skontaktuj się z nami
+126375168 pn-pt 9:00 - 16:00
Formularz kontaktowy
Numer referencyjny producenta: 6001545516
Wczytywanie...
Producent
Kody OEM

OE
6001545516

Informacje o producencie: MAHLE MAHLE Aftermarket GmbH Adres: Pragstr. 26 46, 70376 Stuttgart Kraj: niemcy E-mail: product.support@mahle.com Tel: 0180-6115599
Zadzwoń na naszą infolinię
pn-pt 9:00 - 16:00
Napisz do nas
sklep@frauto.pl
Dołącz do newslettera
Czcionka:
Kontrast: